
小拉桿橫向波紋補償器(XLB)的介紹
小拉桿橫向型波紋補償器除可以補償彎曲管道的橫向位移和角位移,同時也可以補償軸向位移。
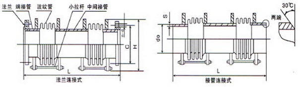
小拉桿橫向波紋補償器(XLB)的示意圖

小拉桿橫向波紋補償器(XLB)的型號實例

舉例:0.6XLB500FB-1500
表示公稱通徑為500mm,工作壓力為0.6Mpa,長度為1500mm,不銹鋼法蘭連接的小拉桿橫向波紋管補償器。
小拉桿橫向波紋補償器(XLB)的使用說明
小拉桿橫向型波紋補償器除可以補償彎曲管道的橫向位移和角位移,同時也可以補償軸向位移。樣本中所列的軸向補償量及橫向補償量(X0、Y0 )均單獨用作軸向補償或橫向補償的最大值。